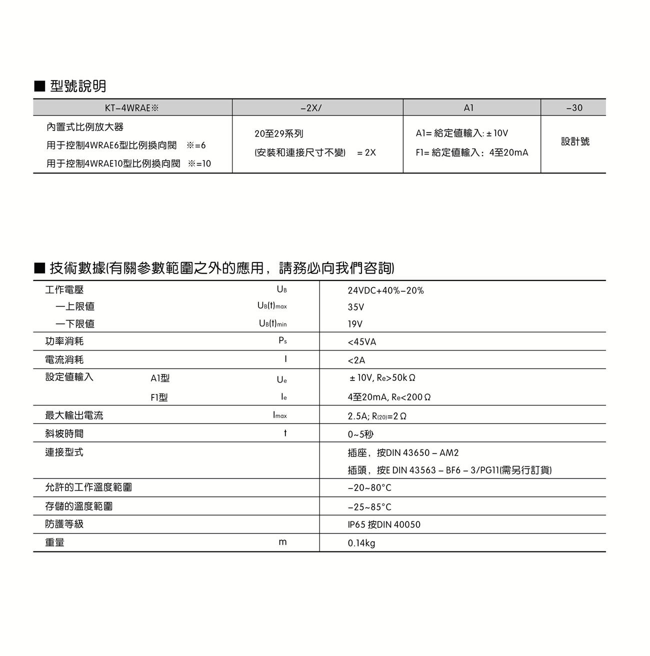
● 用于控制4WRAE※-2X系列比例換向閥
電話:020-34825781 34691302
郵件:gzkingst@163.com
地址:廣州市番禺區(qū)石碁鎮(zhèn)市蓮路石碁村段82號之一11棟101、102、103
廣州君圣液壓設備制造有限公司 版權所有 粵ICP備2021055458號-1 友情鏈接:液壓系統(tǒng)
廣州君圣液壓設備制造有限公司 版權所有 粵ICP備2021055458號-1
友情鏈接:液壓系統(tǒng)